Системы коммутации EWSD Siemens и S-12 Alcatel.
Какой фирмой была разработана система EWSD?
Ответы
|
1. |
ИскраТел |
|
2. |
Siemens (Германия) |
|
3. |
Cisco |
|
4. |
Huawei |
Модуль GP в блоке LTG системы EWSD выполняет следующие функции:
Ответы
|
1. |
обеспечивает LTG необходимыми управляющими тактовыми импульсами |
|
2. |
осуществляет управление всеми функциональными блоками данного LTG |
|
3. |
организацию управления блоком DLU |
|
4. |
преобразует последовательную информацию в параллельный формат |
Соединительные линии цифровых трактов в системе Alcatel 1000S12 обслуживает модуль
Ответы
|
1. |
P&L |
|
2. |
DTM |
|
3. |
CM |
|
4. |
CTM |
Как называется коммутационное поле в ЦСК EWSD?
Ответы
|
1. |
CP |
|
2. |
LTG |
|
3. |
SN |
|
4. |
DIU |
|
5. |
DLU |
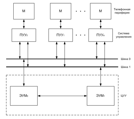
Какой тип системы управления представлен на рисунке?

Ответы
|
1. |
децентрализованной СУ |
|
2. |
иерархической |
|
3. |
децентрализованной СУ |
Структурная схема какого блока системы EWSD изображена на рисунке?
Структурная схема блока LTG системы EWSD
Ответы
|
1. |
SN |
|
2. |
LTG |
|
3. |
DLU |
|
4. |
MB |
Модуль DLUC блока DLU системы EWSD обеспечивает:
Ответы
Из какого блока системы EWSD абонент Б получает сигнал "Посылка вызова"
Ответы
Как называется блок линейных групп в ЦСК EWSD?
Ответы
Какой блок координирует работу всей станции в ЦСК EWSD?
Ответы
Какой доступ в ISDN имеет формулу 30B+D?
Ответы
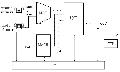
Какое оборудование образует интерфейс подключения аналоговых соединительных линий к цифровому коммутационному полю (ЦКП)?
Схема ЦКП
Ответы
Модуль СТМ в архитектуре системы Alcatel 1000S12 предназначен:
Ответы
В какой блок SLMCP передаёт линейный номер абонента в ЦСК EWSD?
Ответы
Укажите скорость канала B в первичном доступе ISDN?
Ответы
С какой частотой передается сигнал «ответ станции»?
Ответы
Для чего предназначен мультиплексор?
Ответы
Модуль трактов цифровых соединительных линий системы Alcatel 1000S12 имеет аббревиатуру
Ответы
Аналоговые абонентские линии в системе Alcatel 1000S12 подключаются к модулю:
Ответы
Какая система управления используется в системе Alcatel 1000 S12?
Ответы
Какой тип системы управления представлен на рисунке?
Иерархическая система управления
Ответы
Какая функциональная подсистема управляет всей работой системы EWSD:
Ответы
Основой цифрового коммутационного поля DSN ситемы Alcatel 1000 S12 является
Ответы
Модуль SCM в архитектуре системы Alcatel 1000S12 используется:
Ответы
Какое оборудование предназначено для выработки сетки частот, необходимых для синхронизации работы всех блоков станции?
Синхронизация работы всех блоков станции Ответы
Модуль периферии и загрузки системы Alcatel 1000S12 имеет аббревиатуру
Ответы
Укажите скорость канала D в первичном доступе ISDN?
Ответы
Абонентские линии в системе EWSD включаются в блоки:
Ответы
Системные модули в системе Alcatel 1000S12 это:
Ответы
Какой принцип управления в системе EWSD:
Ответы
Структурная схема какого модуля изображена на рисунке?
Схема МААЛ
Ответы
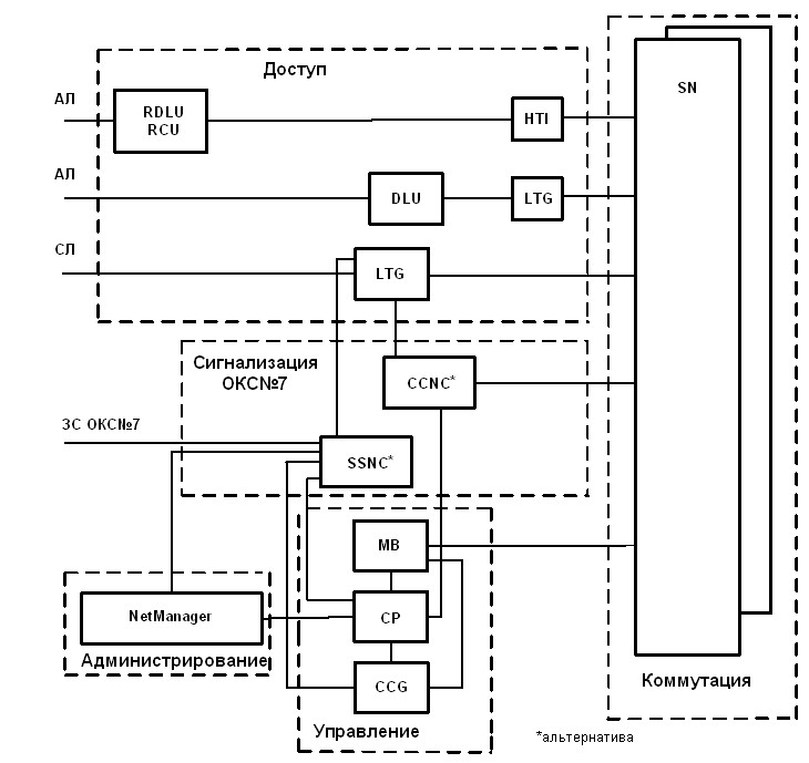
Архитектура какой системы представлена на рисунке?
Архитектура EWSD
Ответы
|
1. |
AXE-10 |
|
2. |
Квант-Е |
|
3. |
EWSD |
|
4. |
Alcatel 1000 S12 |
Архитектура какой системы представлена на рисунке?
Схема DSN коммутационное поле S12
Ответы
|
1. |
EWSD |
|
2. |
Квант-Е |
|
3. |
Alcatel 1000 S12 |
|
4. |
AXE-10 |
Какой процессор даёт команду на отключение сигналов ПОСЫЛКА ВЫЗОВА и КОНТРОЛЬ ПОСЫЛКИ ВЫЗОВА в ЦСК EWSD?
Ответы
|
1. |
CP |
|
2. |
DLUC-A |
|
3. |
GP-A |
|
4. |
SLMCP-B |
|
5. |
GP-B |
Вызывающий абонент имеет телефонный аппарат с шлейфным набором номера. Куда будет передана информация о набираемом номере в ЦСК EWSD?
Ответы
|
1. |
непосредственно в GP |
|
2. |
в TOG |
|
3. |
непосредственно в СP |
|
4. |
в кодовый приёмник, а затем в CP |
|
5. |
в кодовый приёмник, а затем в GP |
В системе Alcatel 1000S12 цифровое коммутационное поле DSN максимально может иметь:
Ответы
|
1. |
четыре плоскости групповых коммутаторов (GS) |
|
2. |
пять плоскости групповых коммутаторов (GS) |
|
3. |
семь плоскостей групповых коммутаторов (GS) |
|
4. |
три плоскости групповых коммутаторов (GS) |
Какой процессор даёт команду на отключение сигнала ОТВЕТ СТАНЦИИ в ЦСК EWSD?
Ответы
|
1. |
SN |
|
2. |
TOG-A |
|
3. |
SLCA-A |
|
4. |
SLMCP |
|
5. |
GP-A |
Какова максимальная задержка сигнала на ступени временной коммутации?
Ответы
|
1. |
25 мкс |
|
2. |
425 мкс |
|
3. |
250 мкс |
|
4. |
125 мкс |
Какова максимальная задержка цифрового сигнала при прохождении его через временной коммутатор?
Ответы
|
1. |
2 мс |
|
2. |
125 мкс |
|
3. |
1 мс |
|
4. |
245 мкс |
Цифровая абонентская линия включается в DLU системы EWSD в модуль:
Ответы
|
1. |
SLMA |
|
2. |
SLMCP |
|
3. |
SLMD |
|
4. |
LIU |
Каково назначение интерфейса V.5?
Ответы
|
1. |
подключение оборудования доступа к центральному оборудованию |
|
2. |
управление связью |
|
3. |
используется для сигнализации |
|
4. |
используется для синхронизации |
Определите тип коммутатора
Временное коммутатор
Ответы
|
1. |
виртуальный |
|
2. |
маршрутизирующий |
|
3. |
пространственный |
|
4. |
временной |
Какой доступ в ISDN имеет формулу 2B+D?
Ответы
|
1. |
базовый |
|
2. |
первичный |
|
3. |
вторичный |
|
4. |
основной |
Укажите скорость канала D в базовом доступе ISDN?
Ответы
|
1. |
164 кбит/с |
|
2. |
2 кбит/с |
|
3. |
16 кбит/с |
|
4. |
64 кбит/с |
Какой процессор определяет категорию линий и услуг абонентов в ЦСК EWSD?
Ответы
|
1. |
SLMCP |
|
2. |
DIUD |
|
3. |
GP |
|
4. |
DLUC |
|
5. |
SLCA |
Коммутационное поле DSN коммутирует цифровые линии со скоростью
Ответы
|
1. |
64 кбит/с |
|
2. |
48 кбит/с |
|
3. |
128 кбит/с |
|
4. |
4096 кбит/с |
Какие типы коммутаторов используются в коммутационных полях ЦСК?
Ответы
|
1. |
только пространственные |
|
2. |
временные и пространственные |
|
3. |
логические |
|
4. |
только временные |
Соединительные цифровые линии включаются в системе EWSD в блоки:
Ответы
|
1. |
DLU |
|
2. |
MB |
|
3. |
LTG |
|
4. |
GP |